Ausbau
Fahrzeug aufbocken und motoröl ablassen, siehe seite 295.
Wo vorhanden, motor-unterschutz ausbauen, siehe seite 14.
Vorderes abgasrohr am abgaskrümmer und am vorderen halter abschrauben. Abgasanlage etwas absenken und mit draht am aufbau aufhängen, siehe seite 120.
Dieselmotor: öl-rücklaufschlauch vom turbolader am stutzen der ölwanne abziehen, vorher schlauchschelle aufschrauben.

Ölwanne abschrauben und mit dichtung abnehmen, gegebenenfalls mit schraubendreher vorsichtig abhebein.
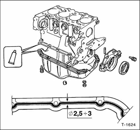
Die abbildung zeigt die ölwanne des 1,6-l-motors.
Einbau
Dichtflächen von ölwanne und motorblock reinigen und trocknen. Eventuell verbogene dichtfläche an der ölwanne vorsichtig richten.
Dichtflächen von ölwanne und motorblock mit spiritus fettfrei abwischen.

1,4-/1,8-/2,0-I-benzinmotoren und dieselmotor: an einem stück, ohne unterbrechung, auf den sitz der ölwanne einen strang von dow corning q3-7057 silikon- dichtmasse (fiat-nr. 5882442) Mit einem durchmesser von 2,5 bis 3 mm auftragen, siehe abbildung. Die schraubenlöcher müssen außen liegen. Achtung: nach der montage der ölwanne erst nach 1 stunde motoröl einfüllen.
1,6-L-motor: ölwannendichtung immer erneuern. Ölwanne ansetzen, dabei darauf achten, daß die ölpumpe nicht beschädigt wird.
Schrauben und muttern einsetzen und handfest anziehen.
Ölwanne nach dem anlegen möglichst nicht mehr verschieben.
Anschließend alle schrauben nur leicht (bei m6-gewinde: 10 nm; m8-gewinde: 25 nm) festziehen. Nicht zu fest anziehen, sonst wird die dichtung zerquetscht.
Abgasanlage einbauen, siehe seite 121.
Dieselmotor: öl-rücklaufschlauch am stutzen der ölwanne aufschieben und mit schlauchschelle befestigen.
Motor-unterschutz einbauen, siehe seite 14.
Fahrzeug ablassen.
Motoröl einfüllen, siehe seite 295.
Klopfsensor aus- und einbauen
Der klopfsensor sitzt am motorblock zwischen zylinder 2 und
3. Der 2,0-i-motor hat 2 klopfsensoren, einer sitzt zwischen
zylinder 1 und 2, der andere zwischen zylinder 4 und 5. Der
sensor ermöglicht dem motor-steuergerät die erkennung
und vermeidung der sc ...
Einschaltung des
umluftbetriebs und
einschaltung der aqsfunktion
(air quality system)
Die taste drücken.
Der umluftbetrieb arbeitet mit drei betriebsweisen:
Automatische kontrolle, angezeigt
durch die schrift aqs auf dem display
und durch die ausgeschaltete led auf
der taste ;
Forcierte ausschaltung (umluftbetrieb
immer ...