Zum starten des verbrennungsmotors ist ein kleiner elektrischer motor, der anlasser, erforderlich. Damit der motor überhaupt anspringen kann, muß der anlasser den verbrennungsmotor auf eine drehzahl von mindestens 300 umdrehungen in der minute beschleunigen. Das funktioniert aber nur, wenn der anlasser einwandfrei arbeitet und die batterie hinreichend geladen ist.
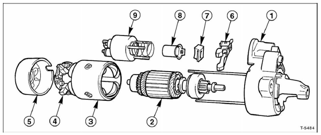
Der anlasser besteht aus einem antriebs-, pol- und kollektorgehäuse.
In dem pol- und kollektorgehäuse sind anker und kollektor gelagert sowie der bürstenhalter. Im bürstenhalter befinden sich kohlebürsten, die sich zwar langsam, aber stetig abnutzen. Bei hoher abnutzung der kohlebürsten kann der anlasser nicht mehr einwandfrei arbeiten.
In dem vorderen antriebsgehäuse ist der ritzelantrieb untergebracht.
Wenn der anlasser über den zündanlaßschalter spannung erhält, wird über den magnetschalter, der auf dem anlassergehäuse sitzt, das ritzel auf einem steilgewinde ge- magnetschalter prüfen/ aus- und einbauen bei einem defekt des magnetschalters wird das ritzel im anlasser nicht gegen den zahnkranz des schwungrades gezogen.
Dadurch kann der anlasser den motor nicht durchdrehen.
Dieser defekt tritt häufiger auf als daß der anlassermotor selbst schadhaft ist.
Prüfen in eingebautem zustand gang herausnehmen, schalthebel in leerlaufstellung.
Prüfvoraussetzung: batterie voll geladen.
Gen den zahnkranz des motor-schwungrades geschoben.
Sobald das ritzel bis zum anschlag auf der spindel vorgelaufen ist, ist es kraftschlüssig mit dem schwungrad verbunden.
Nun kann der anlasser den motor auf die erforderliche anlaßdrehzahl bringen. Wenn der verbrennungsmotor anläuft, wird das ritzel vom motor her beschleunigt, es läuft also kurzzeitig schneller als der anlassermotor und spurt aus, wodurch die verbindung zum verbrennungsmotor aufgehoben ist.
Da zum starten eine hohe stromaufnahme erforderlich ist, ist im rahmen der wartung auf eine einwandfreie kabelverbindung zu achten. Korrodierte anschlüsse säubern und mit polschutzfett einstreichen.
Achtung: den anlasser gibt es je nach typ auch als austauschteil.
Das bedeutet, daß ein defekter anlasser unter umständen bei kauf eines überholten oder neuen anlassers vom hersteller in zahlung genommen wird, daher altteil zum händler mitnehmen.

Antriebsgehäuse
Anker (rotor und ritzel mit freilauf)
Polgehäuse
Bürstenhalter
Kollektorgehäuse
Ritzel-einrückgabel
Sicherungspuffer
Federführungsbuchse
Magnetschalter
Lenkung
Die lenkung besteht aus dem lenkrad, der lenkspindel,
dem lenkgetriebe und dem lenkgestänge. Das lenkrad ist
auf der lenkspindel aufgeschraubt, welche die lenkbewegungen
über das lenkgetriebe und das lenkgestänge auf
die räder überträgt ...
Vorwiderstände für heizungsgebläse
aus- und einbauen
Die vorwiderstände sind neben dem gebläsemotor am
heizungsgehäuse
angeschraubt. Die widerstände können nur
komplett ausgewechselt werden.
Ausbau
Batterie-massekabel (-) abklemmen. Achtung: dadurch
werden elektronische speicher gel& ...