
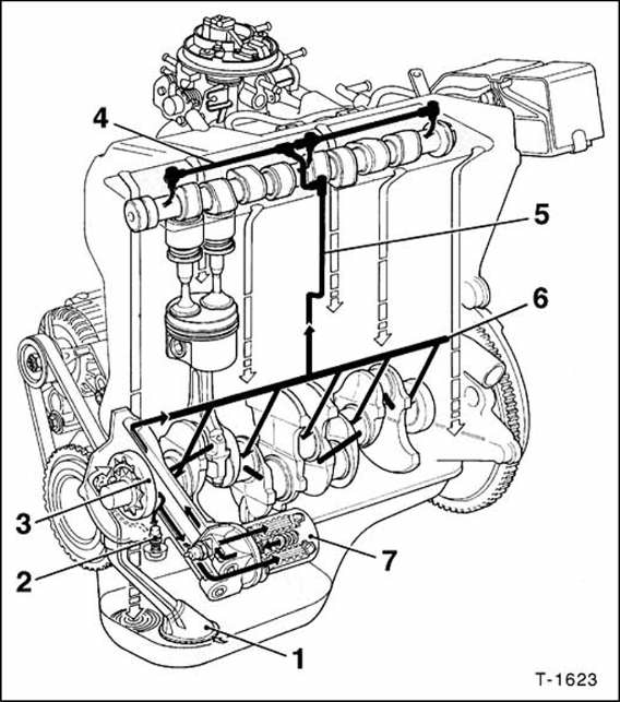
Die ölpumpe - 3 - (sichelzellenpumpe) saugt das motoröl über den ölsaugkorb - 1 - aus der ölwanne an und drückt es In den hauptstromölfilter - 7 - an der druckseite der ölpumpe befindet sich ein überdruckventil (öldruckregelventil) - 2 - .
Bei zu hohem öldruck öffnet das ventil, und ein teil des öls kann in die ölwanne zurückfließen. Die abbildung zeigt den 1,4-l-motor.
Durch die mittelachse der filterpatrone gelangt das gefilterte öl in den hauptölkanal - 6 - . Bei verstopftem ölfilter leitet ein kurzschlußventil das öl direkt und ungefiltert in den hauptölkanal.
Vom hauptölkanal zweigen kanäle ab zur schmierung der kurbelwellenlager. Durch schräge bohrungen in der kurbelwelle wird das öl an die pleuellager geleitet und von dort gegen kolbenbolzen und zylinder gespritzt.
Gleichzeitig gelangt motoröl über eine steigleitung - 5 - in den zylinderkopf und versorgt dort über leitung - 4 - die nockenwellenlager und die ventilstößel.
Speziell 1,6-l-motor

Ölsaugkorb
Öldruckregelventil
Zahnradölpumpe
Hauptölkanal
Ölleitung
Öldruckschalter
Steigleitung
Hauptstromölfilter
Der 1,6-l-motor besitzt eine zahnradölpumpe in der ölwanne, die von der nebenwelle angetrieben wird.
Speziell 1,8-/2,0-l-motor und dieselmotor
Diese motoren haben wie der 1,4-l-motor eine ölpumpe am ende der kurbelwelle. Beim 2,0-l-motor wird die ölpumpe von einer kette angetrieben. Beim 2,0-1- und dieselmotor ist ein ölkühler in den ölkreislauf integriert, der am ölfilterflansch sitzt und vom kühlmittel durchströmt wird, um die öltemperatur nicht zu hoch werden zu lassen. Der diesel-turbolader ist mit 2 leitungen mit dem ölkreislauf verbunden, da die laderwelle geschmiert werden muß.
Rückstellung des rücksitzes
Die sicherheitsgurte seitlich anordnen und
sicher stellen, dass sie nicht verdreht sind.
Die rückenlehne anheben und bis zum
hörbaren einrasten beider befestigungsmechanismen
nach hinten drücken. Bitte
kontrollieren sie, dass das "rote band&qu ...
Fördermenge der kraftstoffpumpe prüfen
Benzinmotoren
Hinweis: beim dieselmotor wird der kraftstoffdruck in der
leitung zwischen filter und einspritzpumpe gemessen, hierzu
fachwerkstatt aufsuchen.
Unbedingt auf gute belüftung des arbeitsplatzes achten.
Kraftstoffdämpfe sind giftig, kein off ...