Linke gelenkwelle 1,4-/1,6-/1,9-l-motor

Äußeres gleichlaufgelenk
Sicherungsring
Schutzmanschette
Profilwelle
Schutzmanschette
Tripodegelenk
Hinweis: beim 1,6-l-motor ist das tripodegelenk direkt in das ausgleichgetriebe gesteckt.
Sicherungsring
Gehäuse für inneres gelenk nur 1,4-l-motor.
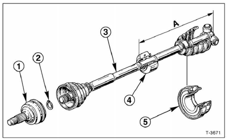
Rechte gelenkwelle 1,4-/1,6-/1,9-l-motor

Äußeres gleichlaufgelenk rechts
Sicherungsring
Gelenkwelle rechts
Tilgergewicht
Dichtungslager
Abstand tilgergewicht von gelenkwellenende:
1,4-L-motor: a = 201 mm
1,6-L-motor: a = 290 bis 295 mm oder 292 bis 297 mm
1,9-L-motor: a = 305 bis 310 mm oder 307 bis 312 mm
Rechte gelenkwelle 1,8-/2,0-l-motor
Das innere gelenk ist im gegensatz zu den 1,4-/1,6-l-motoren als kugel-gleichlaufgelenk ausgeführt. Der 2,0-l-motor besitzt kein tilgergewicht.

Äußeres gleichlaufgelenk
Radseite
Halteschellen
Gummilager
Für tilgergewicht (nur 1,8-l-motor).
Tilgergewicht
Halbschalen (nur 1,8-l-motor).
Profilwelle
Manschette
Flansch getriebeseite
Inneres gleichlaufgelenk
Getriebeseite
Sicherungsring
Schutzdeckel
Störungsdiagnose generator
Störung
Ursache
bv
Ladekontrollampe brennt Nicht bei eingeschalteter Zündung.
Batterie leer.Kabel an generator locker Oder korrodiert.
Ladekontrollampe durchgebrannt.
Regler defekt.
Unterbrechung in der leitungsführung Zw ...
Generator-ladespannung prüfen
Voltmeter zwischen plus- und minuspol der batterie anschließen.
motor starten. die spannung darf beim startvorgang bis
9,5 volt absinken.
Fernlicht einschalten.
Bei einer motordrehzahl von 3.000/Min soll die spannung
1 4 - 1 5 volt betr ...