
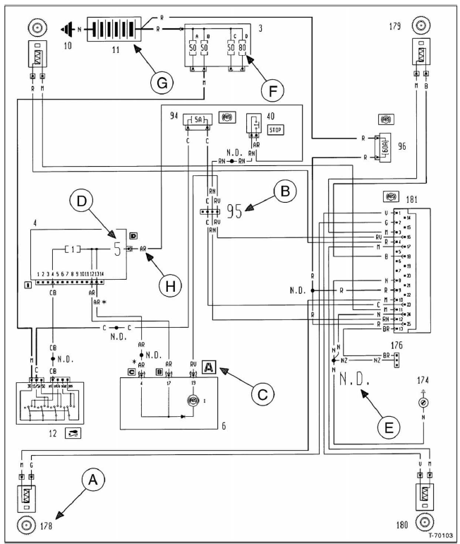
Nummer des bauteils, hier: drehzahlsensor für abs, linkes hinterrad
Nummer des anschlusses, hier: 95 = kabelanschluß für abs, vorn.
Bezeichnung des steckers am bauteil, hier: a
Nummer des anschlußpins, hier: 5.
Ultraschallschweißung isoliert im kabelbaum.
Sicherung, hier: sicherung d, 80 ampere.
Bauteilsymbol, hier: batterie.
Kabelfarbe, hier: ar = himmelblau-rot.
Nützliche ratschläge zur
verlängerung der
batterielebensdauer
Um eine rasche entladung der batterie zu
vermeiden und ihre lebensdauer zu verlängern,
beachten sie bitte die nachfolgenden
maßregeln:
Beim parken des fahrzeugs vergewissern
sie sich, dass die türen, kofferraumdeckel
und klappen gut gesc ...
Sicherheits- und sauberkeitsregeln bei arbeiten
an der kraftstoffversorgung
Bei arbeiten an der kraftstoffversorgung sind die folgenden
regeln zur sicherheit und sauberkeit sorgfältig zu beachten:
Kein offenes feuer, nicht rauchen, keine glühenden
oder sehr heißen teile in die nähe des arbeitsplatzes
bringen. Un ...