
Im kofferraum lampenabdeckung - 1 - ausbauen. Dazu drehclip -pfeil- mit zündschlüssel um 90 nach links drehen. Abdeckung oben abdrücken, nach unten klappen und unten aushängen.

Mehrfachstecker - 2 - abziehen.
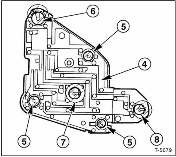
Kunststoffschrauben - 3 - herausdrehen und lampenträger - 4 - abnehmen.

Defekte lampe in den lampenträger - 4 - eindrücken, 90 nach links drehen und herausnehmen.
Lampenbelegung:
5 - Rückleuchte (3 lampen)
6 - Bremslicht
7 - Blinklicht
8 - Nebelschlußlicht (linke heckleuchte) rückfahrlicht (rechte heckleuchte)
Neue lampe eindrücken und durch rechtsdrehen sichern.
Lampenträger anschrauben.
Stecker aufschieben.
Abdeckung unten einhängen, oben andrücken und befestigungsclip um 90 nach rechts drehen.
Vordere armlehne
mit ablagefächern
(wo vorgesehen)
Die armlehne befindet sich zwischen den
vordersitzen. Sie enthält ein ablagefach
und eine klimatisierte getränkehalterung
(wo vorgesehen) (siehe folgende abschnitte).
Die armlehne in längsrichtung durch einwirkung
auf die abdeckung a-abb. 61
Verst ...
Bedienung des schaltgetriebes
Beim einlegen der gänge das kupplungspedal
vollständig niedertreten, und den
schalthebel in die gewünschte stellung verlagern
(das gangschema befindet sich auf
dem schalthebelknopf abb. 2 Und abb. 3.
Zum einlegen des 6. Ganges (versionen
1.416V, 1 ...