Die anhängerkupplung ist von fachpersonal nach eventuellen zusätzlichen und/oder ergänzenden, vom hersteller der vorrichtung ausgehändigten anleitungen an die karosserie montieren zu lassen. Die einzubauende anhängervorrichtung muss den aktuell gültigen normen mit bezug auf die egrichtlinie 94/20 und den nachträglichen veränderungen entsprechen. Für jegliche version ist eine für die anhängelast des fahrzeugs, an dem der einbau erfolgt, geeignete anhängevorrichtung zu verwenden.
Zur beachtung die benutzung von anderen hilfslasten als den außenlichtern (elektrische bremse, seilwinde usw.) Muss bei laufendem motor erfolgen.
Für die elektrische verbindung ist eine auf einem bügel befestigte genormte steckverbindung zu verwenden. Der bügel wird gewöhnlich an der anhängevorrichtung selbst befestigt. Im fahrzeug muss ein spezielles steuergerät für den betrieb der außenleuchten des anhängers installiert werden.
Für die elektrischen verbindungen sind 7- oder 13-polige steckverbindungen mit 12v gleichstromversorgung zu verwenden (normen cuna/uni und iso/din) und die eventuellen hinweise des fahrzeugherstellers und/oder herstellers der anhängevorrichtung zu beachten.
Eine eventuelle elektrische bremse oder andere einrichtungen (elektrische seilwinde usw.) Sind mit einem kabel von mindestens 2,5 mm2 querschnitt direkt von der batterie zu speisen.
Zur beachtung die benutzung der elektrischen bremse oder einer eventuellen seilwinde muss bei laufendem motor erfolgen.
Zuzüglich zu den elektrischen abzweigungen darf an die elektrische anlage des fahrzeugs nur das kabel zur versorgung einer eventuellen elektrischen bremse und das kabel für die lampe von höchstens 15 w zur innenbeleuchtung des anhängers angeschlossen werden. Für die verbindungen den vorgesehenen verteiler und ein batteriekabel mit mindestens 2,5 mm2 querschnitt verwenden.
 Zur 
beachtung Das abs-system des fahrzeugs kontrolliert nicht das bremssystem des anhängers. Achtung auf rutschigem untergrund!  | 
	
 Zur 
beachtung Die bremsanlage des fahrzeugs darf auf keinen fall für die steuerung der anhängerbremsanlage verändert werden. Die bremsanlage des anhängers muss vollständig unabhängig von der hydraulischen anlage des fahrzeugs sein.  | 
	
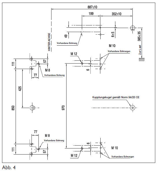
Einbauschema abb. 4

Die struktur des zughakens muss an den
mit einem kreissymbol 
 angegebenen
punkten mit insgesamt 2 m8-schrauben, 4
m10-schrauben und 2 m12-schrauben befestigt
werden.
Die anhängerkupplung ist so an der karosse zu befestigen, dass keine bohrungen an der hinteren stoßstange bei abgenommener anhängerkupplung sichtbar sind.
Nach der montage sind die schraubenlöcher zu versiegeln, um eventuelles eindringen von abgasen zu vermeiden.
Türschließbolzen einstellen
   Der schließmechanismus ist so eingestellt, daß bei geschlossener
tür die türdichtungen unter spannung stehen
und diese damit das eindringen von zugluft und regenwasser
sowie das auftreten von klappergeräuschen verhindern.
Im laufe der ze ...
   
Gelenkwelle zerlegen
   Defekte manschetten sofort erneuern. Zum erneuern der
schutzhüllen muß die gelenkwelle zerlegt werden. Falls
schmutz in das fett eingedrungen ist, gelenk auswaschen
und mit neuem tutela mrm2-fett von fiat (lithium-
mos2-fett) schmieren. Defekte kugeln ode ...