Die kühlmittelpumpe kann nur beim 1,6-l-motor instand gesetzt werden, bei den anderen motoren muß die gesamte pumpe ausgetauscht werden. Bei einem defekt der wellendichtung läuft vor allem bei laufendem motor kühlflüssigkeit am motorblock herunter.
1,4-L-motor, dieselmotor
Ausbau
Batterie-massekabel (-) abklemmen. Achtung: dadurch werden elektronische speicher gelöscht, wie zum beispiel motor-betriebswerte. Hinweise im kapitel "batterie aus- und einbauen" beachten.
Kühlmittel ablassen und auffangen, siehe seite 71.
Keilrippenriemen und zahnriemen ausbauen, siehe seite 22.

Nockenwellenrad von vorn mit einem schraubendreher arretieren. Nockenwellenrad abschrauben und abnehmen, gegebenenfalls mit leichten schlägen eines gummihammers abtreiben.

Kühlmittelpumpe abschrauben -pfeile- pumpe mit dichtring aus dem motorblock herausnehmen.
Einbau
Dichtflächen am zylinderkopf zuerst mit einer scharfen klinge reinigen, dann mit trockenem lappen abwischen, damit dichtungsreste und andere rückstände entfernt werden.
Neue pumpe mit neuem o-dichtring einsetzen. Schrauben nicht zu fest anziehen, drehmoment 25 nm.
Nockenwellenrad aufsetzen, dabei greift die nase am rad in die aussparung der nockenwelle ein. Befestigungsschraube mit 120 nm festziehen, dabei das nockenwellenrad mit schraubendreher gegenhalten.
Zahnriemen einbauen, siehe seite 22.
Batterie-massekabel (-) anklemmen. Vorhandene zeituhr einstellen und diebstahlcode für radio eingeben.
Motor warmfahren. Danach fahrzeug auf trockener fläche abstellen und kühlanlage auf dichtigkeit prüfen.
1,8-/2,0-L-motoren
Ausbau
Batterie-massekabel (-) abklemmen. Achtung: dadurch werden elektronische speicher gelöscht, wie zum beispiel motor-betriebswerte. Hinweise im kapitel "batterie aus- und einbauen" beachten.
Kühlmittel ablassen und auffangen, siehe seite 71.
Keilrippenriemen und zahnriemen ausbauen, siehe seite 22.
Achtung: der zahnriemen kann beim 2,0-l-motor nur bei ausgebautem motor demontiert werden.

Nockenwellenrad der einlaßnockenwelle von vorn mit einem schraubendreher arretieren. Nockenwellenrad abschrauben und abnehmen, gegebenenfalls mit leichten schlägen eines gummihammers abtreiben. Das rad der auslaßnockenwelle bleibt eingebaut.

Seitliche abdeckungen abschrauben

Kühlmittelpumpe abschrauben -pfeile-. Pumpe mit dichtring aus dem motorblock herausnehmen.
Einbau
Dichtfläche am zylinderkopf zuerst mit einer scharfen klinge reinigen, dann mit trockenem lappen abwischen, damit dichtungsreste und andere rückstände entfernt werden.
Neue pumpe mit neuem o-dichtring einsetzen. Schrauben nicht zu fest anziehen, drehmoment 25 nm.
Nockenwellenrad aufsetzen, dabei greift die nase am rad in die aussparung der nockenwelle ein. Befestigungsschraube mit 120 nm festziehen, dabei das nockenwellenrad mit schraubendreher gegenhalten.
Zahnriemen und keilrippenriemen einbauen, siehe seite 22.
Batterie-massekabel (-) anklemmen. Vorhandene zeituhr einstellen und diebstahlcode für radio eingeben.
Motor warmfahren. Danach fahrzeug auf trockener fläche abstellen und kühlanlage auf dichtigkeit prüfen.
1,6-L-motor
Ausbau
Batterie-massekabel (-) abklemmen. Achtung: dadurch werden elektronische speicher gelöscht, wie zum beispiel motor-betriebswerte. Hinweise im kapitel "batterie aus- und einbauen" beachten.
Kühlmittel ablassen und auffangen, siehe seite 71.
Die kühlmittelpumpe sitzt seitlich am motorblock. Sie wird vom keilriemen angetrieben, der auch den generator antreibt. Keilriemen ausbauen, siehe seite 58.

Wenn die kühlmittelpumpe schlecht erreichbar ist, pumpe für servolenkung am halter abschrauben -pfeile- und mit angeschlossenen leitungen zur seite legen.

Generator-halterung oben an der kühlmittelpumpe abschrauben.

Generator-halterung unten abschrauben -pfeil-. Generator drehen, damit die kühlmittelpumpe zugänglich wird.

Kühlmittelrohr von der kühlmittelpumpe abschrauben, schrauben - 1 - .
4 Befestigungsschrauben - 2 - für kühlmittelpumpe am motorblock abschrauben, kühlmittelpumpe mit flachdichtung abnehmen.
Dichtungsreste mit schaber vorsichtig entfernen.

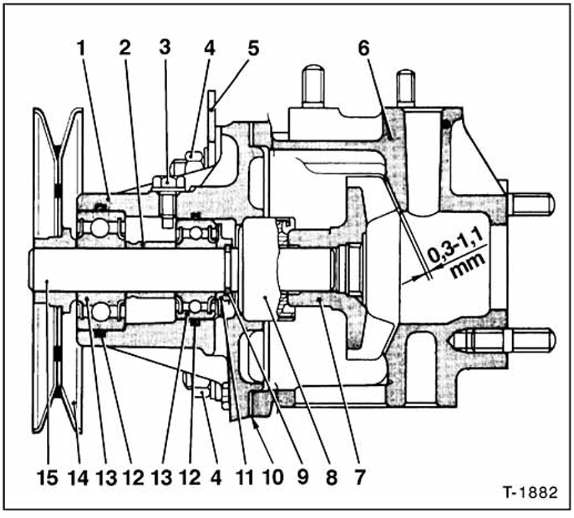
Pumpendeckel
Distanzbüchse
Sicherheitsschraube
Muttern für pumpengehäuse
Haltebügel,
Pumpengehäuse
Pumpenrad
Dichtring
Sicherungsring
Flachdichtung
Anlaufscheibe
Dichtring
Kugellager
Keilriemenscheibe
Pumpenwelle
Gegebenenfalls kühlmittelpumpe zerlegen. Achtung: dazu sind eine geeignete presse und ein abzieher erforderlich.
Pumpendeckel abschrauben.
Pumpenrad von der welle abziehen. Die fiat-werkstätten haben dazu den abzieher a.40026.
Sicherheitsschraube herausdrehen.
Pumpenwelle samt lagern und riemenscheibe aus dem pumpengehäuse ausdrücken.
Riemenscheibe von der pumpenwelle abdrücken.
Falls defekt, öldichtring ausbauen. Dazu dichtring mit einem messingdorn austreiben. Neuen dichtring mit geeignetem rohr auftreiben.
Defekte teile ersetzen. Beim zusammenbauen beachten, daß das pumpenrad einen abstand von 0,3 bis 1,1 mm vom pumpendeckel haben sollte, dies mit einer fühlerblattlehre kontrollieren. Die pumpe muß sich außerdem von hand leicht durchdrehen lassen.
Einbau
Flachdichtung zwischen pumpe und motorblock ersetzen.
Die dichtflächen müssen sauber und trocken sein.
Kühlmittelpumpe mit 25 nm anschrauben.
Kühlmittelrohr mit neuer o-ringdichtung anschrauben.
Generator mit halterung anschrauben.
Servopumpe einbauen, keilriemen einbauen, siehe seite 164.
Kühlmittel auffüllen, siehe seite 71.
Batterie-massekabel (-) anklemmen. Vorhandene zeituhr einstellen und diebstahlcode für radio eingeben.
Nach probefahrt dichtigkeit der kühlanlage prüfen.
Regensensor (wo vorgesehen)
Der regensensor a-abb. 51 Befindet
sich hinter dem innenrückspiegel in kontakt
mit der windschutzscheibe und ermöglicht
die automatische anpassung des
wischvorgangs beim intervallbetrieb an
die stärke des regens.
Der sensor hat einen einstellber ...
Unterdruckpumpe prüfen/aus- und einbauen
Dieselmotor
Die unterdruckpumpe (vakuumpumpe) befindet sich beim
dieselmotor seitlich am zylinderkopf und wird von der
nockenwelle angetrieben. Die pumpe erzeugt den nötigen
unterdruck für den bremskraftverstärker, da beim dieselmotor
im gegensatz zu ...