Der kühlmittelregler öffnet mit zunehmender erwärmung des motors den großen kühlmittelkreislauf. Bleibt der kühlmittelregler durch einen defekt geschlossen, wird der motor zu heiß. Erkennbar ist das, wenn die temperaturanzeige im roten bereich steht, während gleichzeitig der kühler kalt bleibt.
Ein defekter thermostat kann aber auch nach dem abkühlen der kühlflüssigkeit weiterhin geöffnet bleiben. Dies erkennt man daran, daß der motor nicht mehr oder nur langsam seine betriebstemperatur erreicht oder im winter die heizleistung nachläßt.
Achtung: wenn der motor nach kurzer fahrstrecke heiß wird, kann das auch daran liegen, daß sich der kühler aufgrund von kalkablagerungen zugesetzt hat, oder der keilriemen zum antrieb der kühlmittelpumpe gerissen ist.
Ausbau
Batterie-massekabel (-) abklemmen. Achtung: dadurch werden elektronische speicher gelöscht, wie zum beispiel motor-betriebswerte. Hinweise im kapitel "batterie aus- und einbauen" beachten.
Kühlmittel ablassen und auffangen.
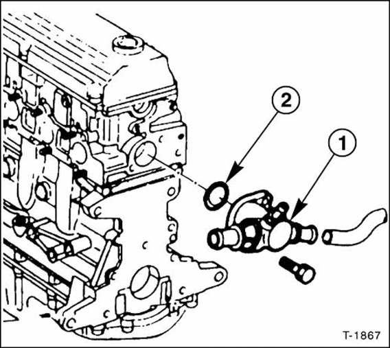
1,4-L-motor

Thermostatgehäuse
O-ring-dichtung
1,6-L-motor

Thermostatgehäuse
O-ring-dichtung
Kühlmittelschläuche
Drosselklappenstutzen
Temperaturfühler
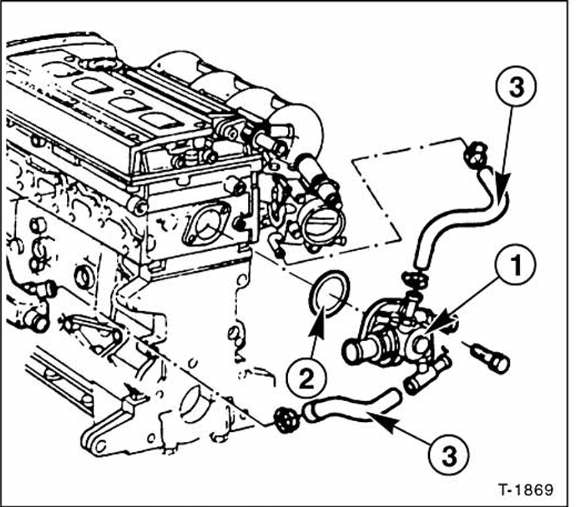
1,8-/2,0-L-motoren

Thermostatgehäuse
O-ring-dichtung
Kühlmittelschläuche
Dieselmotor

Thermostatgehäuse
O-ring-dichtung
Kühlmittelschlauch
Kühlmittelrohr
Dichtung
Temperaturfühler
Der kühlmittelregler sitzt im thermostatgehäuse am zylinderkopf, also dort, wo der obere dicke kühlmittelschlauch zum kühler aufgesteckt ist. Am thermostatgehäuse sind weitere kühlmittelschläuche aufgesteckt.
Kühlmittelschläuche und zugehörigen stutzen am thermostatgehäuse mit farbe kennzeichnen, damit die anschlüsse beim einbau nicht vertauscht werden.
Schlauchschellen am gehäuse ganz öffnen und zurückschieben.
Kühlmittelschläuche abziehen und thermostatgehäuse vom zylinderkopf abschrauben.
Kühlmittelregler aus dem gehäuse nehmen und prüfen, gegebenenfalls auswechseln.
Prüfen
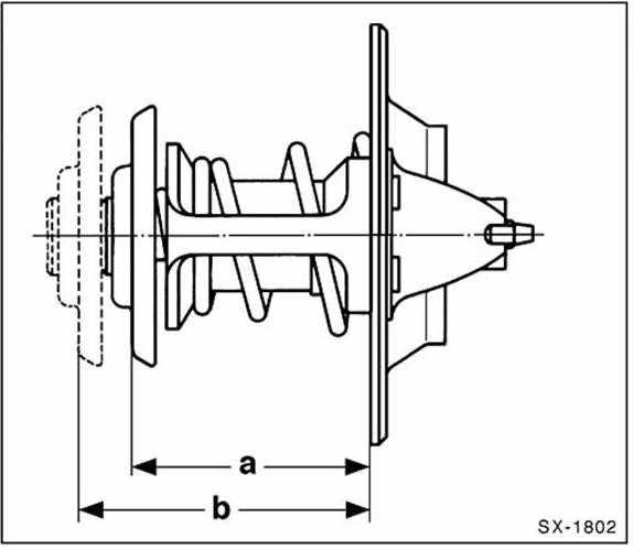
Am thermostat den abstand - a - der regelklappe messen und notieren, siehe abbildung sx-1802.

Kühlmittelregler im kühlmittelbad langsam erwärmen.
Dabei darf der thermostat nicht die wände des behälters berühren. Der thermostat muß vollständig eingetaucht sein. Temperatur mit einem geeigneten thermometer kontrollieren.

Sobald die öffnungstemperatur erreicht ist, beginnt der
thermostat mit der öffnung der regelklappe.

Temperatur weiter erhöhen, bis sich der thermostat nicht
weiter ausdehnt. Maß - b - messen. Öffnungshub prüfen,
dazu maß - a - von dem maß - b - abziehen und das ergebnis
mit dem sollwert "öffnungshub" vergleichen, siehe
tabelle. 
Anschließend prüfen, ob sich der regier beim abkühlen wieder schließt, andernfalls regler ersetzen.
Einbau
Kühlmittelregler in thermostatgehäuse einsetzen.
Dichtflächen an zylinderkopf und thermostatgehäuse sorgfältig reinigen. O-ring-dichtung immer erneuern.
Neue dichtung zwischen motorblock und stutzen zwischenlegen, schrauben gleichmäßig mit 15 nm anziehen.
Kühlmittelschläuche wie beim ausbau markiert auf die stutzen aufschieben und mit schraubschellen sichern.
Kühlmittel auffüllen, siehe seite 71.
Batterie-massekabel (-) anklemmen. Zeituhr einstellen.
Radiosender programmieren.
Störungsdiagnose diesel-einspritzanlage
55-/74-Kw-motor (75/100 ps) bis 9/98
Bevor anhand der störungsdiagnose der fehler aufgespürt wird,
müssen folgende prüfvoraussetzungen erfüllt sein: bedienungsfehler
beim starten ausgeschlossen. Kraftstoff im tank, motor mechanisch in ordnun ...
Installation von elektrischen/
elektronischen vorrichtungen
Die elektrischen/elektronischen vorrichtungen,
die nach dem kauf des fahrzeugs
im nachverkaufsservice installiert werden,
müssen folgendermaßen gekennzeichnet
sein:
Fiat auto s.P.A. Genehmigt den einbau von
sende- und empfangsgeräten, sofern di ...