Der fahrer-airbag ist als zusammengefalteter luftsack im lenkrad untergebracht. Im fall einer stärkeren frontalkollision wird über ein steuergerät eine kleine sprengladung in der airbag-einheit gezündet, die abgase der explosion blasen den luftsack innerhalb weniger millisekunden auf. Diese zeit reicht aus, den aufprall des nach vorn schnellenden fahrers zu dämpfen. Der airbag fällt dann innerhalb weniger sekunden in sich zusammen, da die gase durch austrittsöffnungen entweichen.
Achtung: arbeiten am airbag-system müssen aus sicherheitsgründen von einer fiat-werkstatt durchgeführt werden. Explosionsgefahr!

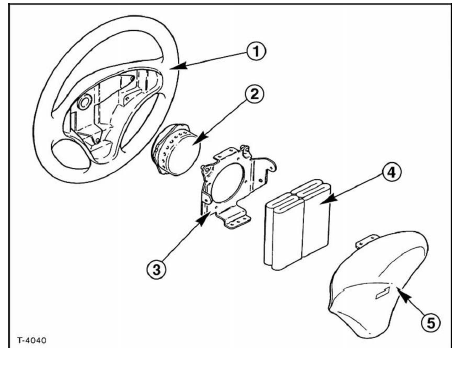
Airbag-modul
Luftsack
Gasgenerator
Auslösevorrichtung
Zündladung
Einbauplatte des gasgenerators
Wippe für signalhorn

Lenkrad
Gasgenerator
Einbauplatte für airbag
Luftsack
Deckel für luftsack
Regler des neigungswinkels der scheinwerfer
Einstellung der scheinwerfer
Die tasten a und b-abb. 100 Auf der
mittleren abdeckung bedienen. Wenn das
fahrzeug mit scheinwerfern mit gasentladung
(xenon) ausgestattet ist, erfolgt die
scheinwerfereinstellung elektronisch, und
die tasten a und b sind nicht vo ...
Heckscheibenwischwaschanlage
Heckscheibenwischwaschanlage
abb. 52
Sie kann nur mit zündschlüssel in der position
mar eingeschaltet werden. Die
funktion wird bei loslassen des hebels
ausgeschaltet.
Dreht man den ring des hebels von der
position oin die position , erfolgt
der ...