Dieselmotor
Die unterdruckpumpe (vakuumpumpe) befindet sich beim dieselmotor seitlich am zylinderkopf und wird von der nockenwelle angetrieben. Die pumpe erzeugt den nötigen unterdruck für den bremskraftverstärker, da beim dieselmotor im gegensatz zum benzinmotor kein ausreichender unterdruck im saugrohr vorhanden ist.
Prüfen
Unterdruckleitung zum bremskraftverstärker abziehen, dazu schlauchschelle aufschrauben.
Unterdruckmanometer an die unterdruckpumpe anschließen und motor laufen lassen.
Die unterdruckpumpe muß bei betriebswarmem motor bei einer drehzahl von 4000/min nach 3 sekunden einen unterdruck von mindestens 700 mbar erzeugen.
Ausbau

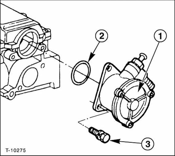
Unterdruckpumpe - 1 - mit 3 schrauben - 3 - abschrauben und herausnehmen.
Einbau
Unterdruckpumpe - 1 - mit dichtring - 2 - anschrauben.
Beschädigten dichtring erneuern.
Unterdruckleitung aufschieben und mit schlauchschelle befestigen.
Automatikbetrieb
der klimaanlage
(auto-funktion)
Druck auf die taste auto; das system
reguliert automatisch:
Die menge der in den innenraum einflie.Enden
luft;
Die luftverteilung im innenraum;
und annulliert alle vorherigen manuellen
einstellungen.
Während des automatischen betriebs de ...
Katalysator/schalldämpfer ersetzen
Ausbau
Halteschelle hinter dem katalysator abschrauben -pfeil-.
Hinteres abgasrohr aus den gummihalterungen aushängen
und vom katalysator abziehen. Die abbildung zeigt
die hintere gummihalterung -pfeil-, die beiden vorderen
halterungen ...