1,8-/2,0-L-motor
Achtung: das lager der zwischenwelle ist nicht als ersatzteil erhältlich. Gegebenenfalls komplette zwischenwelle erneuern.
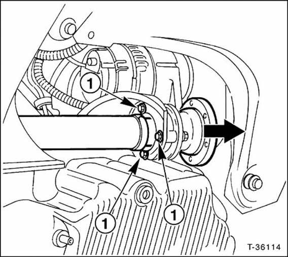
Ausbau
Rechte gelenkwelle am zwischenwellenflansch abschrauben und mit draht aufhängen, damit das äußere gleichlaufgelenk nicht zu stark gebeugt wird.

3 Befestigungsschrauben - 1 - der zwischenwelle am lager herausschrauben.

Zwischenwelle komplett aus dem getriebe herausziehen.
Staubschutzring abnehmen.

Zwischenwelle vorsichtig aus dem motorraum herausführen.
Einbau
Staubschutzring aufschieben und zwischenwelle in das getriebe einsetzen.
Zwischenwelle am zwischenlager anschrauben.
Rechte gelenkwelle am zwischenwellenflansch anschrauben.
Warmlaufen des soeben
gestarteten motors
(benzin und diesel)
Gehen sie bitte wie folgt vor:
Mit dem fahrzeug langsam anfahren,
mit mittleren drehzahlen und ohne
stark gas zu geben;
Vermeiden sie es, dem fahrzeug schon
auf den ersten kilometern h.Chstleistungen
abzuverlangen. Es ist ratsam abzuwarten,
b ...
Gebläsemotor aus- und einbauen
Der gebläsemotor befindet sich im beifahrerfußraum unterhalb
des handschuhfachs.
Ausbau
Batterie-massekabel (-) abklemmen. Achtung: dadurch
werden elektronische speicher gelöscht, wie zum beispiel
motor-betriebswerte. Hinweise im kapitel "ba ...