1,4-L-motor
Ausbau

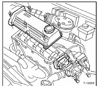
Zündkabelabdeckung mit torx t40-schraubendreher abschrauben -pfeile-. Die linke obere schraube muß nur gelöst, nicht abgeschraubt werden.

zündspulen komplett mit halterung abschrauben und mit angeschlossenen leitungen zur seite legen.
Zylinderkopfdeckel mit 6 schrauben (torx t40) abschrauben und abnehmen, siehe abbildung.
Einbau
Gummidichtung für zylinderkopfdeckel auf beschädigungen prüfen, gegebenenfalls ersetzen. Zylinderkopfdeckel auf zylinderkopf setzen und ganz leicht mit 8 nm anschrauben.
Zündspulen mit halterung am zylinderkopf anschrauben.
Zündkabelabdeckung anschrauben.
Motor warmfahren und zylinderkopfdeckeldichtung auf dichtheit prüfen, gegebenenfalls schrauben leicht nachziehen oder dichtung erneuern.
1,6-L-motor
Ausbau
Beim lösen der beiden zylinderkopfdeckel werden gleichzeitig die nockenwellengehäuse gelöst. Zur demontage müssen zuvor das ansaugrohr ausgebaut und die hintere zahnriemenabdeckung an den deckeln abgeschraubt werden, siehe kapitel "zylinderkopfausbau" auf seite 37.
1,8-/2,0-L-motor
Ausbau
Zündkerzen ausbauen, siehe seite 298.

Massekabel am zylinderkopfdeckel abschrauben -pfeil-.
Schlauch für kurbelgehäuse-entlüftung am stutzen - 1 - abziehen, dazu schlauchschelle aufschrauben. Kann die schelle nicht aufgeschraubt werden, klemmscheile mit seitenschneider durchtrennen und beim einbau durch schraubschelle ersetzen.
Zylinderkopfdeckel mit torx t40-schraubendreher abschrauben und abnehmen. Die beiden schrauben am öleinfülldeckel mit 4mm-schlüssel für innensechskantschrauben lösen. Die abbildung zeigt den 1,8-l-motor.
Einbau
Gummidichtung für zylinderkopfdeckel auf beschädigungen prüfen, gegebenenfalls ersetzen. Zylinderkopfdeckel auf zylinderkopf setzen und ganz leicht mit 8 nm anschrauben.
Massekabel am zylinderkopfdeckel anschrauben, kurbelgehäuse- entlüftungsschlauch aufschieben, mit schraubschelle befestigen.
Zündkerzen einbauen, siehe seite 298.
Dieselmotor
Ausbau

Öleinfüllstopfen - 1 - abnehmen.
Motorabdeckung - 2 - mit 4 muttern abschrauben.
Kurbelgehäuse-entlüftungsschlauch am zylinderkopfdeckel abziehen.
6 Schrauben -pfeile- herausdrehen, zylinderkopfdeckel - 3 - mit gummidichtung - 4 - abnehmen.
Einbau
Gummidichtung für zylinderkopfdeckel auf beschädigungen prüfen, gegebenenfalls ersetzen.
Zylinderkopfdeckel auf zylinderkopf setzen und ganz leicht mit 8 nm anschrauben.
Motorabdeckung anschrauben, öleinfüllstopfen einsetzen.
Motor warmfahren und zylinderkopfdeckeldichtung auf dichtheit prüfen, gegebenenfalls schrauben leicht nachziehen oder dichtung erneuern.
Diebstahlwarnanlage
Ein- und ausschalten
Die diebstahlwarnanlage des fiat bravo/brava wird mit
der funk-fernbedienung am fahrzeugschlüssel aktiviert.
Das empfangsgerät ist in der deckenleuchte untergebracht.
Die anlage funktioniert nur bei abgezogenem zündschlüs ...
Getriebe / schaltung / automatikgetriebe
Das getriebe kann ohne ausbau des motors nach unten ausgebaut werden. Ein ausbau ist dann erforderlich, wenn die kupplung ausgewechselt werden soll oder wenn das getriebe erneuert beziehungsweise überholt werden muß. Da es jedoch in keinem fall anzuraten ist, ...