
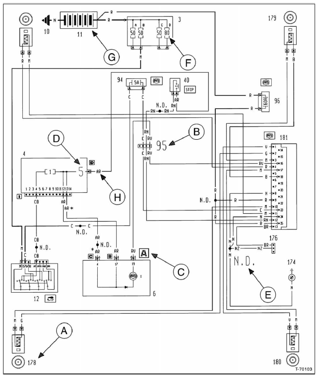
Nummer des bauteils, hier: drehzahlsensor für abs, linkes hinterrad
Nummer des anschlusses, hier: 95 = kabelanschluß für abs, vorn.
Bezeichnung des steckers am bauteil, hier: a
Nummer des anschlußpins, hier: 5.
Ultraschallschweißung isoliert im kabelbaum.
Sicherung, hier: sicherung d, 80 ampere.
Bauteilsymbol, hier: batterie.
Kabelfarbe, hier: ar = himmelblau-rot.
Diesel-direkteinspritzung
mit common-rail-system (jtd)
74-/77-Kw-motor (100/105 ps) ab 10/98
Der kraftstoff wird von der elektrischen kraftstoffpumpe mit
einem druck von 5 bar zur hochdruckpumpe gefördert. In
der hochdruckpumpe wird bereits bei niedrigen motordrehzahlen
ein konstant hoher druck von bis zu 1350 bar ...
Benzin-einspritzanlage
Die benzinmotoren sind mit elektronischen einspritzanlagen
unterschiedlicher ausführung ausgestattet. Der 1,4-l-motor
ist mit der monomotronic von bosch ausgestattet, die
1,6-/1,8- und 2,0-l-motoren haben mehrstellen-einspritzanlagen
(multi point injection, abg ...