Ausbau bosch-generator

Keilrippenriemen - 1 - und generator - 2 - ausbauen.
Generator-schutzkappe - 5 - mit 3 schrauben - 6 - abschrauben.
Spannungsregler - 3 - an der rückseite des generators abschrauben (2 schrauben - 4 - ) und vorsichtig herausziehen.

Schleifkohlen - 2 - ersetzen, wenn die länge 5 mm oder weniger beträgt. Dazu anschlußlitze auslöten.
Schleifringe auf verschleiß prüfen, gegebenenfalls feinstüberdrehen und polieren.
Kontaktfläche reinigen und vorspannung der kontaktfeder prüfen, gegebenenfalls erneuern.
Einbau

Kohlebürsten - a - und federn - b - in den bürstenhalter - c - einsetzen und anschlüsse verlöten.
Damit beim anlöten der neuen bürsten kein lötzinn in der litze hochsteigen kann, anschlußlitze der bürsten mit einer flachzange fassen. Achtung: durch hochsteigendes lötzinn würde die litze steif und die kohlebürste unbrauchbar werden.
Der isolierschlauch über der litze muß neben der lötstelle mit der vorhandenen öse festgeklemmt werden.
Nach dem einbau neue kohlebürsten auf leichten lauf in den bürstenhaltern prüfen.
Spannungsregler erst mit einer schraube von hand befestigen, dann vorsichtig in endgültige einbaulage drücken und festschrauben.
Schutzkappe hinten am generator anschrauben.
Generator einbauen.
Speziell marelli-generator:
Kunststoffabdeckung von der rückseite des generators mit schraubendreher ausclipsen und abnehmen.

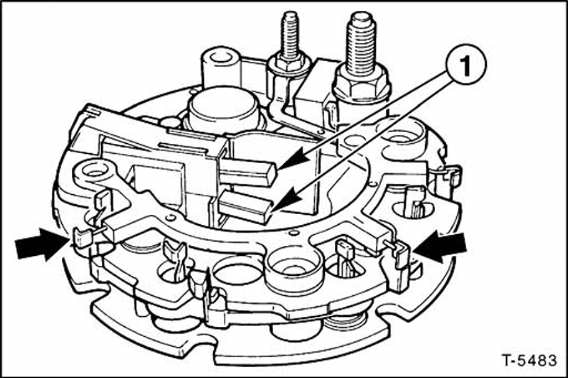
Die abbildung zeigt die schleifkohlen - 1 - bei ausgebauter diodenplatte.
Beschlagentfernung/
enteisung der heckscheibe
und der aussenrückspiegel
Der druck auf die taste aktiviert
diese
funktion: die einschaltung der funktion
wird durch das aufleuchten der led
auf der taste angezeigt.
Die funktion hat eine zeitschaltung und
wird automatisch nach 20 minuten ausgeschaltet.
Um die heizungsfunktion vorzei ...
Antenne aus- und einbauen
Achtung: das antennenkabel ist vom
dachbefestigungspunkt
über die rechte a-säule (dachsäule vor der vordertür)
hinter dem armaturenbrett zum radio verlegt.
Ausbau
Achtung: die antennenpeitsche kann separat vom
antennenfuß
abgeschraubt ...