Beim dieselmotor treibt der zahnriemen außer der nockenwelle auch die diesel-einspritzpumpe an. Nach einbau des zahnriemens muß der förderbeginn der einspritzpumpe von einer fachwerkstatt genau eingestellt werden.

Der zahnriemen kann nur bei abgebautem rechtem oberem motorhalter - 1 - abgenommen werden.
Damit das motorlager beim ausbau entlastet ist, motor mit motorheber etwas anheben. Dazu 2 handelsübliche karabinerhaken an den motor-aufhängeösen am zylinderkopf einhängen und durch ein seil mit dem motorheber verbinden. Steht die aufhängevorrichtung nicht zur verfügung, seil durch die laschen am motor ziehen und kräftiges rohr durch das seil schieben und auf entsprechenden böcken lagern. Achtung: rohr nicht auf den kotflügeln lagern.
Das obere rechte motorlager abschrauben - 2 - , siehe abbildung.
Achtung: das untere rechte motorlager - 3 - bleibt angebaut.
Keilrippenriemen ausbauen, siehe seite 58.

Obere und untere zahnriemenabdeckungen - 1 - und - 2 - abschrauben -pfeile- und mit dichtungen - 3 - abnehmen.

Motor auf ot des 1. Zylinders drehen. Im ot steht die markierung am nockenwellenrad gegenüber der markierung an der hinteren zahnriemenabdeckung -linke abbildung-, außerdem steht die markierung auf dem schwungrad gegenüber der markierung am getriebefenster -rechte abbildung-.

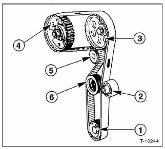
Kurbelwelle
Umlenkrolle
Nockenwelle
Einspritzpumpe
Kühlmittelpumpe
Spannrolle
Mutter an spannrolle - 6 - lösen und zahnriemen abnehmen.
Zahnriemen so auflegen, daß der pfeil für die laufrichtung rechtsherum weist und die markierungen des zahnriemens mit den markierungen der zahnräder von nockenwelle, kurbelwelle und einspritzpumpe übereinstimmen.

Spannrolle mit geeignetem holzstück (zum beispiel hammerstiel) am hebel -pfeil- spannen, bis der zeiger - 1 - am oberen anschlag steht. Die spannrolle ist dann maximal gespannt. Befestigungsmutter für spannrolle festziehen.
Kurbelwelle 2 umdrehungen in motordrehrichtung (rechtsherum) durchdrehen. Dabei verteilt sich die zahnriemenspannung gleichmäßig.

Befestigungsmutter - a - für spannrolle mit ringschlüssel vorsichtig lösen, dabei spannrolle mit holzstück festhalten, sonst entspannt sich der zahnriemen wieder. Spannrolle langsam entlasten, bis der bewegliche zeiger - 1 - gegenüber der markierung - 2 - steht. In dieser stellung mutter für zahnriemenspanner mit drehmomentschlüssel auf 30 nm festziehen. Achtung: gewindedurchmesser der schraube für spannrolle messen. Meist hat die schraube einen außendurchmesser von 8 mm. Hat sie jedoch 10 mm durchmesser, mutter für zahnriemenspanner mit drehmomentschlüssel auf 50 nm nachziehen.
Zahnriemenschutz einbauen.
Oberes motorlager einbauen. Das drehmoment der schrauben richtet sich nach dem jeweiligen gewindedurchmesser: m 8-gewinde: 35 nm, m 10-gewinde: 50 nm, m 12-gewinde: 90 nm.
Förderbeginn der einspritzpumpe baldmöglichst prüfen, gegebenenfalls einstellen lassen (werkstattarbeit).
Relais für kraftstoffpumpe prüfen
Das kraftstoffpumpenrelais befindet sich bei 1,4-/1,6-l-motoren
am relaisträger im motorraum, bei 1,8-/2,0-l-motoren im
innenraum rechts unter dem handschuhfach. Das relais
versorgt die elektrische kraftstoffpumpe mit strom. Um an
die relais im motorraum zu gel ...
Einklappen der spiegel von hand
Falls notwendig (z. B. Wenn die abmessungen
des spiegels bei einem engen
durchgang schwierigkeiten verursachen)
ist es möglich, die spiegel umzuklappen, indem
sie von der position a-abb. 34 Auf
die position b verstellt werden.
Während der
...